* 由 24V-48V 直流电池或直流电源供电
* 可选脉冲双轴龙门同步控制、双轴独立控制或 EtherCAT 总线控制选项
* 一拖二驱动,实现同步或独立控制
* 二合一结构,节省空间,总功率可达 2 kw
* 功能和控制要求可定制

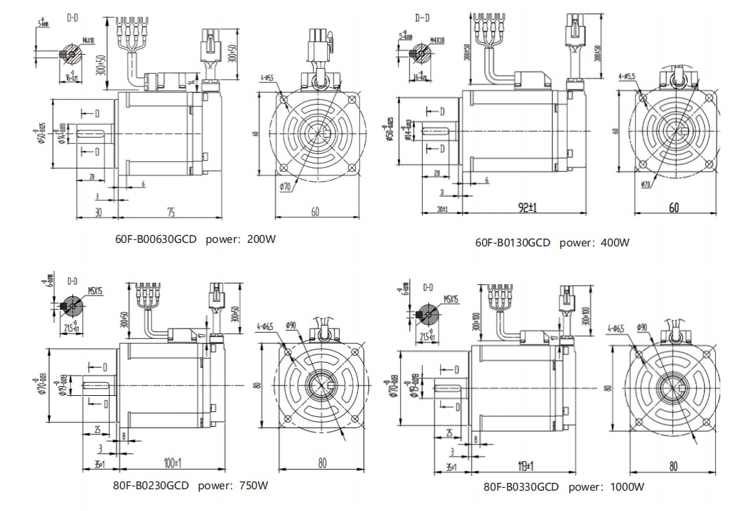
| 电机型号 | 60F-B00630GCD | 60F-B0130GCD | 60F-B0230GCD | 80F-B0230GCD | 80F-B0330GCD | ||||||||||||||||||||||||||||||
|---|---|---|---|---|---|---|---|---|---|---|---|---|---|---|---|---|---|---|---|---|---|---|---|---|---|---|---|---|---|---|---|---|---|---|---|
| 额定功率 (KW) | 0.2 | 0.4 | 0.6 | 0.75 | 1.0 | ||||||||||||||||||||||||||||||
| 额定线电压 (VDC) | 48 | 48 | 48 | 48 | 48 | ||||||||||||||||||||||||||||||
| 额定线电流 (A) | 6 | 11 | 17.5 | 20 | 25 | ||||||||||||||||||||||||||||||
| 额定转速 (RPM) | 3000 | 3000 | 3000 | 3000 | 3000 | ||||||||||||||||||||||||||||||
| 最高转速 (RPM) | 4000 | 4000 | 4000 | 4000 | 4000 | ||||||||||||||||||||||||||||||
| 额定转矩 (N.M) | 0.64 | 1.27 | 1.91 | 2.39 | 3.3 | ||||||||||||||||||||||||||||||
| 峰值转矩 (N.M) | 1.28 | 3.81 | 3.82 | 4.78 | 6.6 | ||||||||||||||||||||||||||||||
| 峰值电流 (A) | 12 | 22 | 35 | 40 | 50 | ||||||||||||||||||||||||||||||
| 反电势 (V/1000r/min) | 6.9 | 7.6 | 7.0 | 7.7 | 7.7 | ||||||||||||||||||||||||||||||
| 转矩系数 (N.M/A) | 0.106 | 0.12 | 0.109 | 0.12 | 0.132 | ||||||||||||||||||||||||||||||
| 转子惯量 (KG.M2) | 0.28X10-4 | 0.52X10-4 | 0.77X10-4 | 1.48X10-4 | 2.27X10-4 | ||||||||||||||||||||||||||||||
| 绕组(线)电阻 (Ω) | 0.58 | 0.17 | 0.14 | 0.07 | 0.07 | ||||||||||||||||||||||||||||||
| 绕组(线)电感 (MH) | 0.79 | 0.33 | 0.27 | 0.23 | 0.23 | ||||||||||||||||||||||||||||||
| 电气时间常数 (MS) | 1.36 | 2.06 | 1.92 | 3.29 | 3.29 | ||||||||||||||||||||||||||||||
| 重量 (KG) | 0.8 | 1.1 | 1.5 | 2.0 | 3.5 | ||||||||||||||||||||||||||||||
| 编码器位数 (Bit) | 17位 5 对极 | ||||||||||||||||||||||||||||||||||
| 电机绝缘等级 | F 级 (130℃) | ||||||||||||||||||||||||||||||||||
| 防护等级 | IP65 | ||||||||||||||||||||||||||||||||||
| 使用环境 | 环境温度:-20℃ ~ +40℃ 环境湿度:相对湿度<90%(无凝露) | ||||||||||||||||||||||||||||||||||
| 电机绕组插座 | 绕组引线 | U (黑) | V (蓝) | W (棕) | PE (黄绿) | ||||||||||||||||||||||||||||||
| 引脚编号 | 1 | 3 | 2 | 4 | |||||||||||||||||||||||||||||||
| 编码器插座 | 信号引线 | FG | VCC | GND | SD+ | SD- | VB+ | VB- | |||||||||||||||||||||||||||
| 引脚编号 | 9 | 7 | 8 | 1 | 4 | 5 | 6 | ||||||||||||||||||||||||||||


